





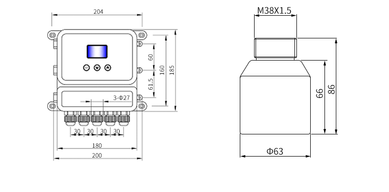
MIK-DFG分體式超聲液位/物位計是測量一個超聲波脈沖從發出到返回整個過程所需的時間。超聲波液位計垂直安裝在液體的表面,它向液面發出一個超聲波脈沖,經過一段時間,超聲波液位計的傳感器接收到從液面反射回的信號,信號經過變送器電路的選擇和處理,根據超聲波液位計發出和接收超聲波的時間差,計算出液面到傳感器的距離。分體式超聲波液位計廣泛用于罐體、水池、水庫的液位和體積測量,也可用于明渠的流量測量。
![]()




可在不同環境中進行距離準確度在線標定,量程起止點、輸出模擬量類型方式,液面窗口鎖定值均可鍵盤設定。
自動跟蹤環境溫度對距離值實行補償。
具有2-4路限值設定,可用于液位段式或位式控制(選購)。
具有RS485/232串行數據輸出或4-20mA/0-20mA模擬量輸出或1-5V/0-5V模擬量輸出(選購)。
具有“回波智能識別”功能和“中斜率”數字濾波功能。
針對小同測量目標,用戶可從100次-0.1次/秒設定檢測周期;
具有增值/差值測距模式選擇,既可測距也可測位。
可通過鍵盤操作,在夜間時打開LCD顯示的背光燈,便于觀看調試,也可在工作中關閉顯示,以節省能源。
具有1一15級發射功率選擇,可根據工況環境隨時設定修改。
具有溫度補償、窗口鎖定及抗干擾糾錯功能、介質聲速調整等功能(訂貨時選購)。
具有滿量程起點和終點任意數字化平移的功能。
具有聲波渡越區溫差補償人工數碼修正平臺。
具有4mA, 20mA數字化微調功能,調試非常方便快捷。
LCD顯示時,顯示信息十分豐富,從物位、重量、溫度、到電流、電壓、限值開關狀態等信息全部顯示在液晶屏上,使用戶
對儀器工作狀態了如指掌。
串日數據發送既可點對點發送,也可總線式發送。


![]()

您也可以直接免費咨詢我們的選型工程師,咨詢電話:0571-88384605
![]()


![]()
